+7 (912)-751-33-24Заказать звонок
Заказать звонок

Оставьте Ваше сообщение и контактные данные и наши специалисты свяжутся с Вами в ближайшее рабочее время для решения Вашего вопроса.

Ваш телефон
Ваш телефон*
Ваше имя
Ваше имя

* - Поля, обязательные для заполнения

Сообщение отправлено
Ваше сообщение успешно отправлено. В ближайшее время с Вами свяжется наш специалист
Закрыть окно
arbatex@list.ru
Каталог товаров
Подписка на новости магазина

Подпишитесь на рассылку и получайте свежие новости и акции нашего магазина.

Описание товара:

Транзисторные сборки КТ9153БС из двух кремниевых эпитаксиально-планарных структуры n-p-n генераторных транзисторов.
Предназначены для применения в широкополосных усилителях мощности в режиме класса АВ в двухтактной схеме с общей базой в диапазоне частот 390...840 МГц при напряжении питания 28 В.
2 600 руб. / шт Цена не является конечной и требует уточнения у менеджера.
Загрузка
Рассчитываем стоимость доставки
Пожалуйста подождите, рассчет займет немного времени

Описание товара

Описание КТ9153БС


Транзисторные сборки КТ9153БС из двух кремниевых эпитаксиально-планарных структуры n-p-n генераторных транзисторов.
Предназначены для применения в широкополосных усилителях мощности в режиме класса АВ в двухтактной схеме с общей базой в диапазоне частот 390...840 МГц при напряжении питания 28 В.
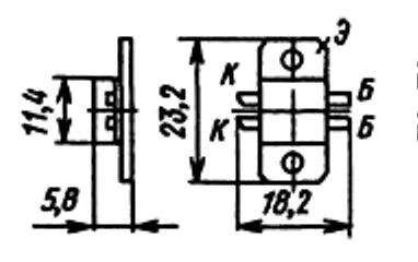
Выпускаются в металлокерамическом корпусе с полосковыми выводами.
В цепях эмиттеров включены балластные сопротивления.
Тип сборки указывается на корпусе.
Масса сборки не более 10 г.


Параметры и характеристики КТ9153БС


• Uкбо max - Максимальное напряжение коллектор-база при заданном обратном токе эмиттера и разомкнутой цепи коллектора
• Uкэr max - Максимальное напряжение коллектор-эмиттер при заданном токе коллектора и заданном сопротивлении в цепи база-эмиттер
• Uкэо max - Максимальное напряжение коллектор-эмиттер при заданном обратном токе эмиттера и разомкнутой цепи коллектора
• Iк max - Максимально допустимый постоянный ток коллектора
• h21э - Статический коэффициент передачи тока транзистора для схем с общим эмиттером
• fгр - Граничная частота коэффициента передачи тока транзистора для схемы с общим эмиттером
• Рк max - Постоянная рассеиваемая мощность коллектора
• Uси - Напряжение сток-исток
• Iси max - Максимальное напряжение сток-исток
• Uзи max - Максимальное напряжение затвор-исток
• Pси max - Максимальная рассеиваемая мощность сток-исток
Добавить отзыв
Ваша оценка:
Отправить отзыв

Похожие товары (8)

2 600 руб. / шт Цена не является конечной и требует уточнения у менеджера.
КТ9153БС
Задать вопрос

Ваше имя*
Контактный телефон*
E-mail
Вопрос*

* - Поля, обязательные для заполнения

Сообщение отправлено
Ваше сообщение успешно отправлено. В ближайшее время с Вами свяжется наш специалист
Закрыть окно
Купить в один клик
Заполните данные для заказа
Запросить стоимость товара
Заполните данные для запроса цены
Запросить цену Запросить цену